Aydınlatma kontrollerinde bir standart olan 1-10V balastla sürülen aydınlatmaların kontrolü KNX sistem üzerinden kontrol edilebilmektedir.
1-10V aydınlatmalardan en çok kullanılan tipler şerid ledler, floresan ve downlight aydınlatmalar olarak gösterilebilir. Bu aydınlatma ürünlerinin balastları için otomasyon sistemi panosundan lambaların 220V beslemesi için faz-nötr kablosu ve yine aynı şekilde balastlara otomasyon sistemi panosundan 1-10V sinyal kablosu(2 damar) çekilmelidir. Sinyal kablosunun ve linye hattının uzunluğu 100 metreyi geçmemelidir. Lambalar ve balastlar bağlanırken sinyal kablosunun (+) ve (-) uçlarının balastlara doğru bir şekilde bağlanması gerekmektedir. Aksi takdirde uçları ters bağlı olan balast ile panodaki 1-10V modülü haberleşemeyecektir.
1-10V dimmer modülünde her bir kanalın çıkış değeri 100 mA seviyelerindedir. Kontrol edilecek olan her 1-10V dimmer linye grubunda kullanılacak olan balastların maximum toplam akımları 100 mA seviyesini geçmemesi gerekmektedir.Üreticilerden temin edebileceğiniz balastların akım değerlerini kontrol ederek bu değere göre gruplama yapabilirsiniz.

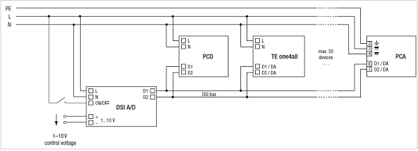
1-10V olarak kontrol edilecek olan aydınlatma linyesindeki balast sayıları maksimum sınırı geçiyor ise aşağıdaki şemada uygulanan kurgudaki DSI A/D dönüştürücü kullanılarak her 1-10 V dimmer linyesi için tridonic DSI A/D dönüştürücü kullanılarak toplamda maksimum 50 balast kontrolü yapılmış olacaktır.

Tridonic balast DSI A/D dönüştürücü bağlantı şeması
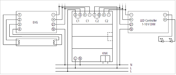
Projede KNX/EIB 1-10V dimmer modülü ile şerit led dim edilecek ise kurgu aşağıdaki prensip bağlantı şemasındaki gibi olabilir. Sistemde sürücü beslemesi olarak Optotornic besleme kaynağı ve Ot dim 1-10V sürücü kullanılması gerekmektedir. Bu sistem sağlıklı bir şekilde led dim edilebilmesini sağlamaktadır. Projede farklı marka ve model 1-10V led dimmer modülü kullanılacak ise seçilecek olan balastların standart 1-10V kontrol sinyali ile uyumlu olması gerekmektedir.

OT Dim modülünün çektiği default akım değerleri 0,6mA seviyelerindedir.
Projede KNX/EIB 1-10V dimmer modülü ile RGB led dim edilecek ise kurgu aşağıdaki prensip bağlantı şemasındaki gibi olabilir. Sistemde sürücü beslemesi olarak optotornic besleme kaynağı ve Ot RGB dim 1-10V sürücü kullanılması gerekmektedir. Bu sistem sağlıklı bir şekilde RGB led dim edilebilmesini sağlamaktadır.

OT Dim modülünün çektiği default akım değerleri 0,6mA seviyelerindedir.
Yazar Hakkında
Nurullah Kalay
Bina Otomasyon Sistemleri Proje ve Teknik Destek Mühendisi
[email protected]
0554 518 5022
1987 doğumlu Nurullah KALAY, Sakarya Üniversitesi Elektrik-Elektronik Mühendisliği bölümünden mezun olmuştur.2010 yılında KNX eğitimi almış,2012 Yılında Viko by Panasonic şirketinde Bina Otomasyon Sistemleri Proje ve Teknik Destek Mühendisi olarak çalışmaya başlamıştır. Halen burada görevine devam etmektedir. Özel olarak KNX Akıllı Bina kursları düzenlemektedir. Voltimum üyelerinin KNX Projelerine teknik destek verebilmekte ve projeleriyle ilgili fiyat teklifi sunabilmektedir.