Modular combined arrester for 1 pair BLITZDUCTORconnect with fault indication

Modular combined arrester for 1 pair BLITZDUCTORconnect with fault indication

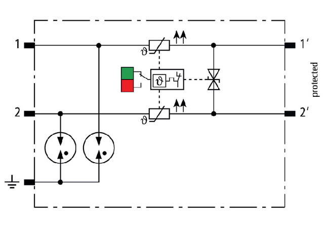
Space-saving, modular combined arrester with a width of 6 mm and push-in connection technology with status indication for protecting one pair in 24 V DC systems. Also suitable for use with earthed negative pole; integrated PTC resistors allow for secure resetting of the arrester after interference in the system circuit with short-circuit currents of up to 40 A. With signal disconnection for maintenance purposes.

Ürün kimlikleri

SKU: 927214
EAN: 4013364473003
GTIN: 4013364473003
MPN: BCO ML2 BPD 24

Teknik özellikler

Frequency
Connection 1 Push-in terminal
Earthing via DIN rail (top hat rail)
Assembly width 6 mm
Mounting method DIN rail (top hat rail) 35 mm
Limiting frequency -
Nominal voltage AC
Nominal voltage DC
Signal disconnection evet
Voltage protection level -
Pro-active thermo-control evet
Max. continuous voltage DC 33 V
Voltage protection level core/core -
Lightning impulse current (10/350 µs) 3 kA
Number of conductors (without earthing) 2
Voltage protection level signal ground/protective ground -